Рулевое управление — это основной механизм, который обеспечивает перемещение автомобиля в определённых направлениях. Оно есть в каждой машине, является продолжением рук водителя и приводит к повороту управляемых колёс в соответствии с движением руля. Однако типы рулевых механизмов разные. Из материала вы узнаете о строении каждого типа, конструктивных элементах и их назначении, о возможности регулировки и ремонта систем.
Что такое рулевой механизм
Рулевой механизм — это устройство, предназначенное для контроля над направлением движения автомобиля. Он используется для передачи мышечной энергии рук водителя через руль к осевому усилию, поворачивающему автомобильные колёса, т. е. обеспечения необходимого соотношения динамических и кинематических мощностей. Механизм должен быть надёжным, а его конструкция обязана регулировать люфт, возникающий в результате износа сопрягаемых поверхностей. Поворот и передвижение автомобиля были бы невозможны без эффективной и слаженной работы всех узлов устройства.

Функционал механизма рулевого управления
Система рулевого управления — это совокупность отдельных частей и механизмов, отвечающих за эффективное вождение. Она сконструирована из нескольких компонентов и выполняет две основные задачи: удержание транспортного средства на прямой линии и возможность поворота. Первым элементом, который входит в состав системы, является руль, находящийся в кабине. Благодаря повороту этой детали руками водителя, движение переносится на другие части механизма.
Следующим элементом является рулевая колонка. Она представляет собой двухсекционный вал и с одной стороны непосредственно соединённая с рулём. С другой стороны колонка подключается к рулевому механизму и его корпусу через муфту. Это соединение позволяет рулю вращаться без заедания, поскольку входной вал и колонка не находятся в идеальном положении — они расположены под небольшим углом друг к другу. Муфта соединяет руль и вал с рулевым механизмом, который работает с колёсами автомобиля. Рядом также установлен рулевой рычаг, который обеспечивает процесс передачи вращения руля на колёса.
Все эти элементы составляют механизм управления автомобилем, основными частями которого являются рычаги, шестерёнки, стержни, втулки, зубчатые колёса и переключатели. Когда водитель поворачивает руль, импульс, указывающий движение, проходит через колонку к рулевому механизму. Перемещение передаётся на нижний рычаг и оттуда — на поворотный механизм. Только в этот момент автомобильные колёса поворачивает в направлении, заданном водителем.
Типы рулевых механизмов, из чего они состоят и как работают
Существует несколько разновидностей рулевых механизмов. Они скомпонованы из разных деталей, отличаются принципом действия, но все предназначены для выполнения эффективного и лёгкого управления, при котором вращение рулевого вала преобразуется в возвратно-поступательное движение исполнительного сборочного узла механизма — сошки редуктора или реечной конструкции. По своей структуре устройство представляет собой механически скомплектованную передачу, где важнейшей характеристикой служит передаточное число.
В зависимости от того, оснащён транспорт передним или задним приводом, могут использоваться различные типы рулевых агрегатов. В первом случае передача снабжена зубчатой рейкой и чаще всего встречается в современных машинах. В иной конструкции, если авто имеет задний привод, он оснащён червячной, глобоидной или шарико-винтовой передачей.
Основные детали
Механические конструктивные детали, из которых состоят и смонтированы различные виды передач, предназначены для преобразования вращательного движения в поступательное и наоборот:
- зубчатая — это механическая трансмиссия, в которой передача мощности осуществляется через блокирующие шестерни;
- шариковая (винтовая) — состоит из: ходового винта, гайки с интегрированными шариками;
- червячная — основными компонентами служат червяк (роторный винт) с подшипниками, зубчатое колесо, сошка;
- глобоидная — разновидность червячной передачи, но конструкция имеет вогнутую форму.
Механизм червячного типа
Червячный механизм — это передача с перпендикулярными осями, лежащими в двух разных плоскостях. В червячных системах взаимодействуют два элемента различной конструкции: роторный винт (червяк) с трапецеидальной резьбой и червячное колесо со спиральными зубьями, вогнутое в продольном сечении.

Работа червячных передач основана на вращательном движении червяка и его витков. В результате чего зубья вала сцепляются с червячным колесом, перемещая его в том же направлении. В этом случае происходит угловое смещение. Круговые движения руля ведут к перемещению винта, вращению червячного колеса, качанию сошки и поступательному движению тяги рулевого привода для поворота колёс.
Вождение автомобиля с этим типом рулевого механизма характеризуется как менее точное и используется чаще всего в грузовиках из-за возможности крутого поворота колёс при перевозке тяжёлых грузов.
Большое число конструктивных соединений в червячной передаче требует систематической регулировки, а мощность передаётся с большой долей трения, и при определённых условиях система является самоблокирующимся механизмом.

Это является как недостатком, так и преимуществом. Самоблокировка может быть случайной, когда из-за недостаточной смазки коэффициент трения увеличивается выше допустимого и передача попадает в диапазон отключения. Эта особенность также оказывается желательной, и тогда в одном направлении червячный механизм действует как трансмиссия, а в другом — как тормоз.
Реечный рулевой механизм
Наиболее популярными с точки зрения конструкции являются зубчатые рейки. Силовой узел рулевого редуктора содержит шестерни, которые передают сигналы руля на тягу, поворачивающую колёса. Это увеличивает перемещение так, что передние транспортные колёса продвигаются больше, чем руль автомобиля от приложенного водителем усилия.
Этот тип управления конструктивно прост, имеет высокие показатели полезного действия, благодаря снижению передачи, и обладает повышенной жёсткостью. К недостаткам следует отнести вибрацию и чувствительность к ударным нагрузкам на неровной дороге.
Элементы системы механически тесно связаны друг с другом во взаимном движении и взаимодействии. Когда водитель поворачивает руль, то тем самым приводит в движение шестерню, которая перемещается по рейке, заставляет её двигаться вправо или влево, управляя колёсами машины. Сдвиг происходит на указанную длину, а не на угол. Эта особенность различает шестерни и другие типы передач. Рулевые тяги, которые прикреплены к механизму, меняют положение поворотных кулаков и автомобильных колёс.
Винтовой редуктор
Винтовой тип механизма иногда называют шарико-винтовым по специфическим особенностям конструкции. Он является редуктором, где при переходе от входного вала к выходному частота вращения снижается и увеличивается крутящий момент. Этот тип системы управления чаще всего встречается на грузовом транспорте и имеет ряд стальных шариков, которые действуют как ролики между валом рулевого управления и зубчатым реечным механизмом. Винт размещён на рулевом валу и при его вращении вызывает осевое перемещение гайки. Это движение гайки передаётся механически на шестерню, установленную на одной оси с рычагом.

В резьбе вала колонны есть шарики, которые при движении передают крутящий момент. Гайка опирается на них и перемещает часть винтового механизма, заставляя их двигаться. Шарики свободно движутся по направляющим без риска выпадения благодаря каналу циркуляции, с которым они соединены гайками. Ходовой винт монтируется на подшипниковых опорах, один из концов предусматривает возможность натяжения и регулировки. Угловое движение с такой коробкой передач имеет наименьшее сопротивление и большой срок эксплуатации, но не считается точным.
Виды усилителей рулевого механизма
В большинстве автомобилей усилитель необходим. Это не только облегчает поворот руля при манёврах, но и косвенно влияет на безопасность. В системах без такой помощи быстрое и эффективное перемещение рулевого колеса в аварийной ситуации может быть трудным и неосуществимым. У старых автомобилей были огромные рули, и требовалась большая мускульная сила при маневрировании и поворотах. Благодаря внедрённым технологиям современными машинами намного легче управлять и поворачивать. Чтобы уменьшить трение, возникающее при вращении колёс и тем самым облегчить усилие, с которым водитель проворачивает руль на виражах, обеспечить точное маневрирование, часто используют усилители рулевого управления.
Это реализовывается несколькими способами, и конструктивно можно выделить следующие виды:
- Механический усилитель, в котором увеличено передаточное число по сравнению с традиционным.
- Пневматическая несложная конструкция, которая подпитывается от компрессора имеющихся пневматических тормозов.
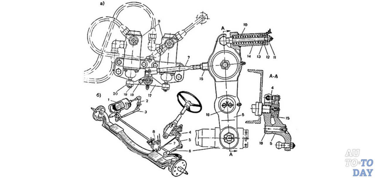
а — механизм включения; б — схема; 1 — силовой цилиндр; 2 — промежуточный рычаг; 3 и 6 — продольные рулевые тяги; 4 — ведущий рычаг; 5 — рычаг рулевого управления; 7 — тяга привода воздухораспределителя; 8 — воздухораспределитель; 9 — цилиндры воздухораспределителя; 10 — пружина рычажной системы; 11 — гайка; 12 — кольцевая гайка; 13 — втулка; 14 — шток; 15 — хомут; 16 — палец ведущего рычага; 17 — коромысло воздухораспределителя; 18 — установочный болт; 19 — регулировочный винт; 20 — контргайка
- Гидроусилитель руля (ГУР) оснащён гидравлической системой, в которой распределитель подаёт гидравлическую жидкость в поршневую камеру и движение реечного механизма обеспечивает более точный и эффективный манёвр поворота. Недостатком системы является постоянная работа насоса, что приводит к потере мощности, увеличению расхода топлива и повышению выбросов. Гидросистема подвержена утечкам и шумам и обычно выходит из строя из-за поломки ремня.
- Электрогидроусилитель (ЭГУР) представляет механико-электрический тип и является новейшим видом механизма управления. В этой системе электродвигатель соединён с одним из элементов рулевого агрегата. Гидронасос получает энергию от электродвигателя, вместо ремня, приводимого в движение двигателем, а обычные приводные ремни и шкивы заменяются бесщёточным двигателем. Благодаря этому можно поворачивать руль с небольшим усилием даже одним пальцем. Усилитель автоматически регулирует свою мощность в зависимости от скорости автомобиля.
- Электроусилитель (ЭУР) более эффективен, чем гидросистемы. Здесь устанавливается полностью электрическая схема рулевого управления. Электродвигатель крепится либо к зубчатой рейке, либо к колонке, а электронный блок управляет динамикой руля. Система легко настраивается в зависимости от типа авто, скорости по выбору водителя. Плюсом является экономия топлива и отсутствие загрязнения окружающей среды вследствие утечки жидкости гидросистем.
Можно ли регулировать и как правильно это делать
Дефекты рулевого управления возникают довольно часто из-за высоких нагрузок и постоянной работы деталей.Незначительные дефекты несложно устранить самостоятельно, так провисание или блокировка руля исправляется подтяжкой регулировочного винта.Регулярные осмотры и техническое обслуживание — залог долговечности системы и отдельных компонентов управления.
Необходим ремонт или регулировка системы, если в управлении автомобилем начинают проявляться некоторые из следующих симптомов:
- люфт руля, при котором система неадекватно реагирует на круговое вращение и поворот автомобильных колёс запаздывает;
- жёсткое и неустойчивое вождение;
- тяжёлый или не отвечающий усилиям поворот руля на низких скоростях или во время манёвров на стоянке;
- необычные шумы при вращении руля;
- вибрация и дрожь в рулевом колесе;
- руль не возвращается в исходное положение должным образом;
- жидкость вытекает из-под автомобиля.
Вот несколько рекомендаций по регулировке системы и проверке параметров:
- рулевое колесо и колонка должны быть надёжны, а соединительная муфта затянута, но двигаться свободно без помех;
- компоненты электронного усилителя нужно визуально проверить на наличие повреждений;
- количество, качество и цвет масла в гидросистеме должны соответствовать необходимым характеристикам (уровень находиться в указанных значениях, а сама жидкость по цвету соответствовать марке, не быть вязкой и густой);
- приводные ремни без следов поломки и стёртости;
- отсутствие утечки из соединительных шлангов и элементов:
- наличие смазки в механических деталях (тяги, шаровые опоры, рычаги, шестерни).
Видео: Регулировка рулевого механизма
Износостойкость и замена деталей
Независимо от того, какой тип рулевого механизма или усилителя применяется в машине, часто можно наблюдать симптомы некачественной работы отдельных элементов или их поломку. В основном это является результатом нагрузок и износа, которые испытывают отдельные части системы, независимо от её конструкции. Основными признаками стирания деталей системы являются: удары, проблемы с рулевым управлением, упомянутые ранее, неисправность или отсутствие усилителя, утечки, видимые на месте парковки.
Эти признаки свидетельствуют о значительном аварийном состоянии сборочных единиц, а вождение с такими дефектами представляет огромный риск. Когда рулевое управление не работает должным образом, создаётся впечатление, что машина не слушает руль, теряет контроль, тягу и отклоняется от выбранного пути. Откладывая ремонт, вы рискуете попасть в крупную аварию по причине более серьёзных повреждений взаимосвязанных деталей машины.

Поэтому должно стать привычкой проверять техническое состояние рулевой системы во время профилактических и плановых осмотров автомобиля, которые проводятся механиками в автомастерских. Из-за износа многие приспособления и узлы рулевой системы теряют свою эластичность и герметичность, снашиваются неравномерно, а для правильной работы модели требуется хорошее состояние каждого элемента. Такие детали системы опасны, и нужно немедленно заменить их.
Сначала проверьте крепления, затем осмотрите на предмет износа передачу, а также наличие ослабленного рычага или вала шестерни. Регенерация устройства заключается в разборке всех частей редуктора, устранении их дефектов или замене стёртого элемента новым и его повторной установке. Необходимо следить, чтобы все заменяемые детали были того же типоразмера и марки, а наличие смазки значительно увеличивает износостойкость компонентов.

Система обеспечения эффективности вождения и помощи в управлении в современных легковых автомобилях стала стандартом, и трудно представить машину без такой поддержки. Надлежащая эксплуатация и соблюдение рекомендаций по обслуживанию механизма позволяет значительно продлить период безаварийной работы. В случае появления первых признаков неисправности, трудностей с вождением, утечек жидкости, странных шумов, световой индикации повреждений следует обратиться в мастерскую, специализирующуюся на диагностике и ремонте систем рулевого управления.
0 












