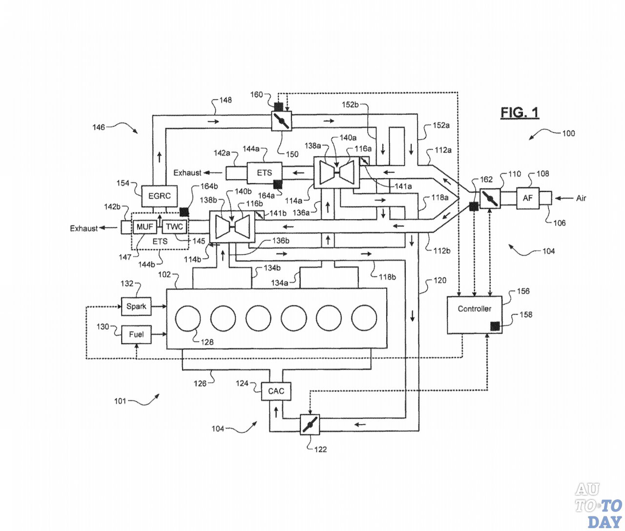
Патентная заявка от Fiat Chrysler Automobiles детализировала новый двигатель, находящийся в настоящее время в разработке.
В документе, описанном Mopar Insiders, была подробно охарактеризована система рециркуляции выхлопных газов (EGR, Exhaust Gas Recirculation), используемая бензиновым мотором с турбонаддувом. Новый продукт, вероятно, получил наименование GME-T6 (Global Medium Engine Turbo-6).

Комбинируемый с системой eBooster, GME-T6, как ожидается, позволит практически полностью устранить турбо-задержку и обеспечит использование более габаритных турбокомпрессоров. Последние позаботятся о генерации топовой мощности, которая, согласно Mopar Insiders, будет варьироваться от 360 до 525 лошадиных сил (FCA предложит сразу несколько вариантов отдачи).
В конечном итоге, шестицилиндровый двигатель GME-T6 заменит стареющий Pentastar V6 и будет ограничен тремя литрами (такой объём позволит избежать внушительных налогов в определенных частях мира).
Первоисточник: портал СarsСoops.
Ранее мы сообщали:
0 








