Во время поездки, особенно длительной, владельцы авто слушают любимые аудиозаписи, коротая время. Не каждый автомобиль оснащён современными аудиосистемами с поддержкой цифровых носителей. Решением вопроса является FM-модулятор, его устройство и популярные модели — тема данной статьи.
Что такое FM-трансмиттер
Устройство, которое принимает цифровой сигнал и преобразовывает его в звуковую информацию, передавая приёмнику посредством радиоволн — это и есть FM-модулятор или FM-трансмиттер. Проще говоря, прибор позволяет прослушивать звукозапись с современных носителей информации через устаревшие аудиоустройства.
Для работы прибору достаточно питания в 12 В от прикуривателя. К нему можно подключать для прослушивания любое устройство:
- кассетный магнитофон;
- плеер (компакт-диски);
- радиоприёмник;
- мобильный телефон.
В зависимости от модели трансмиттера источником звуковых файлов в цифровом формате служат флешки или карты памяти.

Виды трансмиттеров, принцип действия
Сегодня производители предлагают два вида приборов: с MP3 плеером и с функцией «Bluetooth». Подробнее об устройствах:
- с MP3 — девайс представляет собой приёмник, оснащённый панелью управления и дисплеем, современные модели обладают большим объёмом памяти. С помощью модулятора можно не только слушать музыку, но и формировать плей-листы, выбирать определённый трек, видеть информацию о нём;
- с функцией «Bluetooth» — прибор обладает расширенными функциями, кроме основных. В тандеме с флешкой трансмиттер соединяется с мобильным гаджетом через беспроводной канал и может использоваться ещё и как устройство громкой связи.
Принцип действия модулятора:
- Считывание цифровой информации с носителя.
- Преобразование звука в цифровом формате в электрические колебания.
- Передача в эфир радиоволн, несущих аудиосигналы, с помощью встроенного радиопередатчика.
Как выбрать устройство
Производители FM-девайса предлагают различные по функциональности и цене модели. Дешёвые аппараты отличаются малыми размерами, чёрно-белым небольшим экраном. Функции устройства ограничены: воспроизведение, перемотка, поиск нужной частоты волн. Радиус приёма максимум до 7 м.
Вариант эконом класса более привлекательный внешне, корпус устройства с плавными линиями и цветным дисплеем. Прибор, кроме основных функций, оснащён пультом управления и функцией запоминания (до 20 станций).
Более дорогие премиум модели отличаются расширенными возможностями:
- оснащены программным обеспечением;
- встроенной памятью до 2 ГБ;
- возможностью взаимодействия через кабель с телефоном или компьютером;
- поддержка USB и CD носителей;
- меню с удобной навигацией на большом цветном дисплее;
- мини ДУ на руль.

При выборе устройства, прежде всего, обратите внимание на размеры прибора. Многие модуляторы с расширенными возможностями из-за габаритов невозможно подключить к прикуривателю.
Другие критерии, заслуживающие внимания:
- радиус действия передатчика — в некоторых дешёвых девайсах он ограничен до 3,5-4 м;
- удобство управления, наличие ДУ;
- величина дисплея и яркость подсветки;
- количество разъёмов для носителей;
- быстрота синхронизации с гаджетами и магнитолой;
- качество воспроизведения;
- обладателям машин с дизельными двигателями следует обратить внимание на возможность работать с бортовой сетью в 24 В.

Установка и настройка
Управлять устройством для прослушивания музыки несложно.
- Подсоедините прибор с помощью кабеля к компьютеру.
- Созданную заранее папку с аудиофайлами скопируйте в папку трансмиттера.
- Подключите прибор к гнезду прикуривателя.
- Включите приёмник и настройтесь на одну частоту с модулятором (свободную), смена FM частоты на модуляторе регулируется клавишами «CH-» и «CH+».
- Для прослушивания нужно нажать на клавишу «воспроизведение/стоп».
- Если не хотите прослушивать все треки подряд, управляйте их сменой клавишами «Назад» и «Вперед», выбрать также можно какую либо песню по счёту цифрами на пульте.
- Клавиша «EQ» позволяет управление эквалайзером.
- Громкость регулируется клавишами «Vol +» и «Vol-».
- В усовершенствованных современных моделях есть кнопки управления другими функциями, например, настройки и выбор языка меню, диктофон и другие.
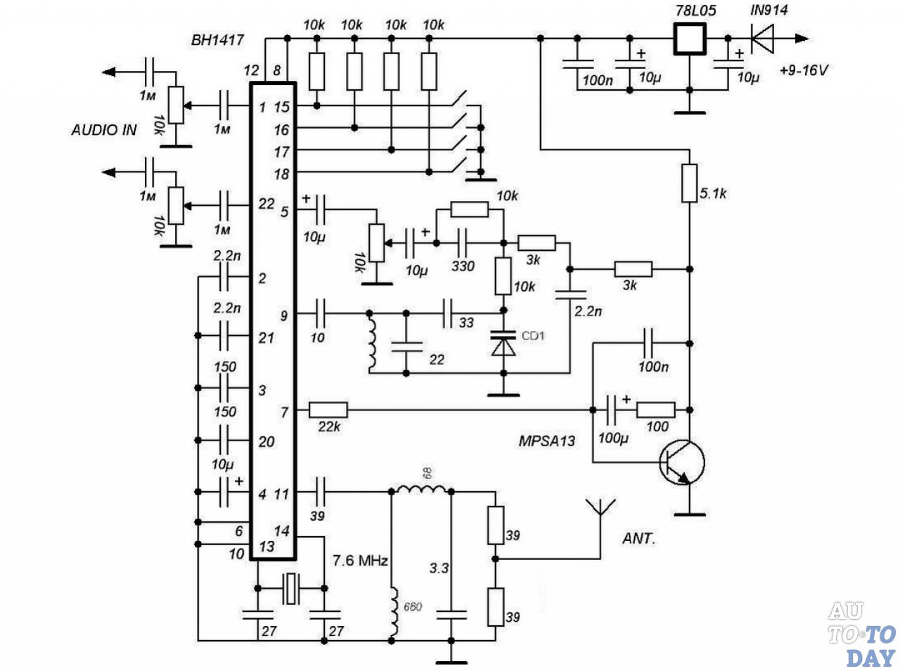
Типовая схема FM-модулятора
Основой для устройства служит простенькая микросхема ВН141, питание от 5 В. Мастера по самостоятельной сборке устройств типа трансмиттера утверждают, что при некоторых доработках качество микросхемы можно улучшить, например, подключить усилитель мощности на транзисторах, что увеличит радиус приёма. Фото схемы:

Возможные неисправности модулятора
В работе устройств случаются поломки, некоторые можно решить самостоятельно. Например:
- Плохое качество звучания может говорить о несовпадении выбранных частот на приёмнике и трансмиттере. Проверьте и подкорректируйте.
- Сгорел предохранитель модулятора — его можно заменить самостоятельно. Деталь обычно находится близко к штекеру. Отвинтите крышку, убедитесь в поломке и поменяйте предохранитель.
- Та же ситуация может произойти с предохранителем в автомобиле. При наличии навыков и знания, где они располагаются нужно произвести замену деталей.
Популярные модели
Популярность той или иной модели зависит не только от её возможностей и функций, но и от соотношения стоимости с качеством.
Учитывая данный фактор и мнение покупателей, в список лучших включены следующие модели:
- «Xiaomi Roidmi» — недорогой прибор, с поддержкой Bluetooth, питанием 12–24 В. Оснащена двумя портами USB, функцией громкой связи, широким диапазоном частот. Дисплей с LED-подсветкой, поддерживает сопряжение с Android 4.0, iPhone и iPad;
- «Mystery MFM-80BCU» — многофункциональная модель с модулем «Bluetooth», с большим дисплеем (диагональ 4,1). С функцией приёма звонков как устройство громкой связи, кстати, на дисплее высвечивается номер входящего звонка. Качество звука отменное, благодаря технологии «Clear Voice Capture», которая подавляет шумы и выравнивает звучание. Прибор оснащён двумя пультами, один на руль, что важно для безопасности во время движения;
- «Neoline Bliss FM» — из недорогих моделей. Прежде всего, отмечается отличное воспроизведение звука, чистое и без помех. Питание 12–24 В, подходит для дизельных двигателей. Воспроизведение музыки поддерживает по папкам;
- «Ritmix FMT-A760» — устройство поддерживает форматы MP3, WMA. К нему подключаются наушники и мобильный телефон, универсальное питание 12–24 В, ДУ, широкий частотный диапазон, сопряжение с флеш-носителями и CD-картами;
- «Defender RT-Pro» — бюджетная модель, работает от 12 В. В комплектации есть ДУ, порт USB, Aux. Поддерживает форматы MP3, WMA, есть 7 эквалайзер режимов.
Найти недорогую и качественную модель несложно, главное иметь представление об основных функциях и возможностях устройства. А в случае проблем в работе, лучше обратиться в мастерскую, тем более что на каждую покупку в официальной сети есть гарантийный талон.
0 















